User Manuals & Drawings
NR60E2 2D DWG & 3D STP drawings
Sample Programs
Configuration Files
Software
EtherNet configuration software
The AMCI NR60E2 series of heavy-duty Networked Resolvers are compatible with all PLCs/PACs that support EtherNet/IP or Modbus-TCP. The NR60E2 series networked resolvers are available in absolute single-turn and multi-turn packages using an IP67 rated 60mm diameter industrial housing. Flange and servo mounting styles are available to suit various mounting requirements. These networked absolute rotary resolvers provide up to 30 bit total resolution, delivering 16 bit (65536 steps) per revolution and up to an additional 14 bit (16384 revolutions) for multi-turn versions.
Easy To Configure & Install
AMCI's networked resolvers are designed for simple set-up and trouble free performance. The NR60E2 networked resolvers are compatible with all PLCs and PACs that support EtherNet/IP or Modbus-TCP, including Allen-Bradley. Programmed using the PLC/PAC resident software ensures hassle free integration with your application.
The NR60E2 networked resolvers offer a variety of programmable features:
All programmable parameters and the preset offset are stored in the internal non-volatile memory for speedy retrieval, making it quick and easy to configure your NR60E2 networked resolver.
Extras:
E2 Technology by AMCI is an innovative new multi-protocol approach to Ethernet distributed I/O. Supported protocols include EtherNet/IP™ and Modbus-TCP.
● Dual-Port Networking
● Multi-Protocol
● Web Server
● Native Software
The NR60E2 has a built-in Ethernet switch. The embedded switch provides a network connection for additional devices without increasing the nodes on your existing ethernet switch. Fault tolerant connections can detect a break in the network and redirect the network traffic maintaining communication and system up-time. See the DLR video tutorial on the bottom of the page to learn more.
Heavy-duty Performance & Reliability
The NR60E2 networked resolver supplies absolute position feedback without glass discs or sensitive LED components, enabling it to withstand high levels of shock and vibration. The IP67 rated housing guarantees protection against dust and water ingress. Add the NR60E2 resolver's impressive shaft load ratings and ruggedness is second to none.
AMCI's NR60E2 networked resolver is the heavy-duty solution for single-turn and multi-turn position applications requiring serious reliability for today's harshest industrial environments.
NR60E2 (Single-turn, 16 Bit)
NR60E2 (Multi-turn, 28 Bit)
NR60E2 (Multi-turn, 30 Bit)
Stainless Steel Option
Consult the factory for pricing & availability
Contact SalesAMCI products are uniquely designed to provide the best PLC integration available. Unlike other products that require a separate software package for configuration or operation, AMCI's PLC-based products are programmed using your PLC's software - nothing new to buy or learn!
Our expertise with the leading PLC manufacturers (e.g. Allen-Bradley, etc) is unmatched when it comes to high performance Specialty I/O, Position Sensing, and Motion Control technology.
AMCI's NR60E2 Series is compatible with any PLC that supports these networks
The AMCI NR Series resolvers are engineered to save customers time and money. Utilizing an innovative design, this optical encoder replacement delivers reliable, heavy-duty position feedback. Several features set this family of rotary encoders apart from the competition; namely, its cost saving durability, field programmability, and wide range of applications.
| NR60E2 Series Networked Resolver Transducer | |
|---|---|
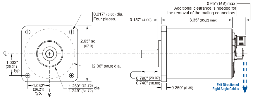
| Package style: | 58mm diameter housing available with flange or servo shaft mounting 63mm diameter housing with blind shaft mounting |
| Housing: | Powder coated aluminum housing or stainless steel |
| Shaft sizes: | Solid shaft 1/4" , 3/8", 6 mm, or 10 mm diameter stainless steel Blind shaft hole 0.375", 0.5", 10mm, 12mm diameter |
| Shaft loading: | 40 lbs. radial/20 lbs. axial maximum shaft loading. Bearing life rated at 2X109 revolutions minimum at maximum shaft load. |
| Starting Torque: | 2.0 oz-in max @25° C |
| Moment of inertia: | 6.00 x 10-4 oz-in-sec2 |
| Connector location: | End connector version: 3 connectors (2 connectors) for data (1 connector) for power Side connector version: 3 connectors* (2 connectors) for data (1 connector) for power *side connect not available with stainless housing/body option |
Power Connector
| Pin | Signal | Explanation |
| 1 | No Connection | 12 to 48Vdc |
| 2 | +Vdc | NC |
| 3 | No Connection | Ground |
| 4 | Common | NC |
| Pin | Signal | Explanation |
| 1 | No Connection | 12 to 48Vdc |
| 2 | +Vdc | NC |
| 3 | No Connection | Ground |
| 4 | Common | NC |
There are two color codes in common use when wiring Ethernet connections with twisted pairs. Either one of these standards is acceptable. Note that accidently reversing the Tx/Rx pairs will not affect the operation of the NR60. The NR60 has an “auto-sense” port that will automatically adjust for swapped pairs.
Data Connectors (2)
| Pin | Signal | 568A Color | 568B Color |
| 1 | Tx+ | White / Orange Tracer | White / Green Tracer |
| 2 | Rx+ | White / Green Tracer | Solid Green |
| 3 | Tx- | Solid Orange | White / Orange Tracer |
| 4 | RX- | Solid Green | Solid Orange |
| Pin | Signal | 568A Color | 568B Color |
| 1 | Tx+ | White / Orange Tracer | White / Green Tracer |
| 2 | Rx+ | White / Green Tracer | Solid Green |
| 3 | Tx- | Solid Orange | White / Orange Tracer |
| 4 | RX- | Solid Green | Solid Orange |
| NR60E2 Series Networked Resolver Transducer | |
|---|---|
| Enclosure: | IP67 (valid only with working shaft seal & mating connector fitted) |
| Shock: | 50 G's for 11 mSec |
| Vibration: | 20 g, 5 to 2,000 Hz |
| Operating temperature: | -40° C to 85° C standard |
| NR60E2 Series Networked Resolver Transducer | |
|---|---|
| Enclosure: | IP67 (valid only with working shaft seal & mating connector fitted) |
| Shock: | 50 G's for 11 mSec |
| Vibration: | 20 g, 5 to 2,000 Hz |
| Operating temperature: | -40° C to 85° C standard |
| NR60E2 Series Networked Resolver Transducer | |
|---|---|
| Output Code: | EtherNet/IP & Modbus-TCP |
| Resolution: | Single Turn = 65536 counts max Multi Turn = (2 versions) 65536 counts / turn & 4096 turns maximum 65536 counts / turn & 16384 turns maximum |
| Direction of Increasing Counts: | Programmable over the network default = CW increasing looking at the shaft |
| Programmable Parameters: | -Direction of Increasing Counts -Counts Per Turn -Velocity Units -Preset Function -Total Measurement Range (defines the number of counts where the position rolls over to zero) |
| Time Stamp: | Time stamp is an unsigned double integer value with an interval of 400 nanoseconds; rolls over every 1717.9869184 seconds. |
| Power requirements: | 12 to 54Vdc 2.5 W maximum 100mA @ 24Vdc |
| NR60E2 Series Networked Resolver Transducer | |
|---|---|
| Output Code: | EtherNet/IP & Modbus-TCP |
| Resolution: | Single Turn = 65536 counts max Multi Turn = (2 versions) 65536 counts / turn & 4096 turns maximum 65536 counts / turn & 16384 turns maximum |
| Direction of Increasing Counts: | Programmable over the network default = CW increasing looking at the shaft |
| Programmable Parameters: | -Direction of Increasing Counts -Counts Per Turn -Velocity Units -Preset Function -Total Measurement Range (defines the number of counts where the position rolls over to zero) |
| Time Stamp: | Time stamp is an unsigned double integer value with an interval of 400 nanoseconds; rolls over every 1717.9869184 seconds. |
| Power requirements: | 12 to 54Vdc 2.5 W maximum 100mA @ 24Vdc |
The following mating connectors are available from AMCI
| AMCI# | Description |
| MS-28 | Mating connector for Ethernet port connector Screw terminal connections. 6 to 8 mm dia. cable. Straight, IP67 rated when properly installed. |
| MS-29 | Mating connector for Power connector. Screw terminal connections. 6 to 8 mm dia. cable. 18 AWG max. Straight, IP67 rated when properly installed. |
| AMCI# | Description |
| MS-28 | Mating connector for Ethernet port connector Screw terminal connections. 6 to 8 mm dia. cable. Straight, IP67 rated when properly installed. |
| MS-29 | Mating connector for Power connector. Screw terminal connections. 6 to 8 mm dia. cable. 18 AWG max. Straight, IP67 rated when properly installed. |
| AMCI# | Description |
| CNER-5M | Molded cordset for Ethernet connector. 5 meters in length. Straight M12 4 pin D-coded to RJ-45 connector. IP67 rated when properly installed. |
| CNVL-2M | Molded cordset for Power connector. 22 AWG wire, 2 meters in length. Straight connector to flying leads. IP67 rated when properly installed. |
| AMCI# | Description |
| CNER-5M | Molded cordset for Ethernet connector. 5 meters in length. Straight M12 4 pin D-coded to RJ-45 connector. IP67 rated when properly installed. |
| CNVL-2M | Molded cordset for Power connector. 22 AWG wire, 2 meters in length. Straight connector to flying leads. IP67 rated when properly installed. |
Compatible with all Allen-Bradley PLCs that support EtherNet/IP, these networked rotary sensors are available in single-turn and multi-turn versions. Features include up to 30 bit resolution, embedded switch, DLR, Power over EtherNet (PoE), IP67 rated housing, solid shaft and blind shaft versions, and stainless steel versions.
Duration 02:07
AMCI makes buying PLC-based automation easy...our sales group will help you:

Contact AMCI Sales today:
860-585-1254

AMCI's sales team takes the hassle out of placing your order. We'll advise on product selection, alternatives, lead times, and present you with point of purchase options. Call (860) 585-1254 or email AMCI sales today!
Generate your NR60E2 series networked resolver part number by using this helpful ordering guide. Starting from left to right, use the following diagram and table to choose the desired options. Each gray box must contain a single alphanumeric character. Please note the following…
| Part Number Character | NR60E2 Networked Resolver | Most Popular Selections |
|---|---|---|
| Housing: | F1 = Square flange H1= 63 mm blind shaft S1 = 58 mm diameter servo mount | F1 (Square flange) |
| Shaft Seal & Body: | B=Nitrile seal, aluminum housing C=Viton seal, stainless steel housing V=Viton seal, aluminum housing | B (Nitrile seal) |
| Shaft Diameter: | Solid shaft 1 = .375" diameter with Flat 2 = .250" diameter with Flat 3 = 6 mm diameter with Flat 4 = 10 mm diameter with Flat Blind shaft hole 1 = 0.375" diameter 2 = 10 mm diameter 4 = 0.500" diameter 6 = 12 mm diameter | 1 (3/8" solid shaft) |
| Output Configuration: | 1 = 16 Bit Single Turn (65536 counts/turn) 2 = 28 Bit Multi Turn (65536 counts/turn & 4,096 turns) 3 = 30 Bit Multi Turn (65536 counts/turn & 16384 turns) | 2 (Multi-turn) |
| Connector Location: | E = End S = Side* *Please note: Side connect is not available with stainless body option (option C above). | E (End connect) |
| Connector Type: | 01 = Embedded Switch Version, End M12 Connectors (2) 4 pin Female D-Type: Network (1) 4 pin Male A-Type: Power | 01 (Three M12 connectors) |
| Part Number Character | NR60E2 Networked Resolver | Most Popular Selections |
|---|---|---|
| Housing: | F1 = Square flange H1= 63 mm blind shaft S1 = 58 mm diameter servo mount | F1 (Square flange) |
| Shaft Seal & Body: | B=Nitrile seal, aluminum housing C=Viton seal, stainless steel housing V=Viton seal, aluminum housing | B (Nitrile seal) |
| Shaft Diameter: | Solid shaft 1 = .375" diameter with Flat 2 = .250" diameter with Flat 3 = 6 mm diameter with Flat 4 = 10 mm diameter with Flat Blind shaft hole 1 = 0.375" diameter 2 = 10 mm diameter 4 = 0.500" diameter 6 = 12 mm diameter | 1 (3/8" solid shaft) |
| Output Configuration: | 1 = 16 Bit Single Turn (65536 counts/turn) 2 = 28 Bit Multi Turn (65536 counts/turn & 4,096 turns) 3 = 30 Bit Multi Turn (65536 counts/turn & 16384 turns) | 2 (Multi-turn) |
| Connector Location: | E = End S = Side* *Please note: Side connect is not available with stainless body option (option C above). | E (End connect) |
| Connector Type: | 01 = Embedded Switch Version, End M12 Connectors (2) 4 pin Female D-Type: Network (1) 4 pin Male A-Type: Power | 01 (Three M12 connectors) |
AMCI’s wide selection of resolvers, resolver interfaces, and related accessories provide a comp...
PDF Download
When discussing resolvers, people often interchange terms such as: encoders, rotary position se...
Read the Tutorial
How DLR Makes Networks Smarter and More Cost Efficient: This 13 minute webinar focuses on Devic...
Watch Now